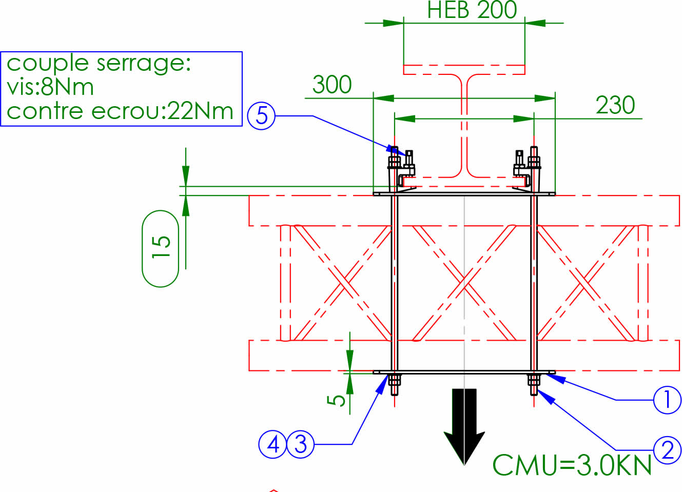
Ensemble d'accroche double pour série 300 carré sur poutre IPN type HEB180, CMU 300kg
Ensemble d'accroche double pour série 300 carré sur poutre IPN type HEB160, CMU 300kg
Ensemble d'accroche 1côté pour série 300 carré sur poutre IPN type HEB, CMU 150 kg
Ensemble d'accroche double pour série 300 carré sur poutre IPN type HEB240, CMU 300kg
Pièce de suspension pour série 300 carrée, acier noir, charge maxi 500kg
Cerce Ø12m, en tube acier noir Ø50mm, en 8 morceaux de 45°
Pied de levage à manivelle, hauteur 6,50m, charge 200kg
Poutre de 1,40m, série SC500 carrée, couleur noire
Tube Ø50, longueur 98cm, filetage M10 et lumière pour passage de câble à chaque extrémité
Tour de levage, pied série 400 carré, noire, haut. max. 11m, haut. utile 10,30m, charge 2t. Chariot 4 départs 500 triangulaire et carré, adaptateur pour départ 400 carré
Nos équipes sont prêtes à répondre à vos besoins et à concrétiser vos projets. Contactez votre agence locale ou laissez-nous un message, nous serons ravis de vous accompagner.